Котел 1.74 МВт уголь дрова в Курмангазы

Котел 1.74 МВт дрова уголь
Котел 1.74 МВт уголь дрова
Котел 1.74 МВт уголь дрова с колосниками чертеж
Чертеж котла на угле дровах 1.74 МВт с колосниками
Шибер газохода котла 1.74 на дровах угле
Шибер газохода котла 1.74 на угле дровах
Котел 1.74 МВт уголь дрова - производство
Производство котла 1.74 МВт уголь дрова
Котел 1.74 МВт уголь дрова - обмуровка
Обмуровка котла 1.74 МВт уголь дрова
Котел 1.74 МВт уголь дрова - топка с охлаждаемыми колосниками
Топка с охлаждаемыми колосниками котла 1.74 МВт уголь дрова
Котел 1.74 МВт уголь дрова - колосниковая топка
Колосниковая топка котла 1.74 МВт уголь дрова
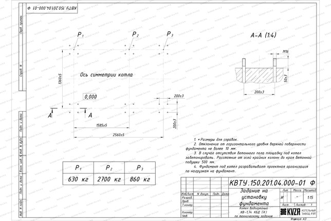
Котел на угле дровах 1.74 МВт с колосниками фундамент
Чертеж фундамента котла 1.74 МВт уголь дрова с колосниками
Котел 1.74 МВт уголь дрова с ОУР чертеж
Чертеж котла на угле дровах 1.74 МВт с ОУР
Котел на угле дровах 1.74 МВт с ОУР фундамент
Чертеж фундамента котла 1.74 МВт уголь дрова с ОУР
Котел 1.74 МВт дрова уголь
Котел 1.74 МВт уголь дрова с колосниками чертеж
Шибер газохода котла 1.74 на дровах угле
Котел 1.74 МВт уголь дрова - производство
Котел 1.74 МВт уголь дрова - обмуровка
Котел 1.74 МВт уголь дрова - топка с охлаждаемыми колосниками
Котел 1.74 МВт уголь дрова - колосниковая топка
Котел на угле дровах 1.74 МВт с колосниками фундамент
Котел 1.74 МВт уголь дрова с ОУР чертеж
Котел на угле дровах 1.74 МВт с ОУР фундамент
Цена
7 911 840 ₸
От 7 911 840 ₸ с доставкой до г.
  • Универсальная модель эффективно работает на угле и дровах
  • Работает на дровах типа полено, поддонах, крупных кусковых отходах деревопереработки
  • Две топочные дверки: нижняя для загрузки угля, верхняя для закладки дров
  • Надежная работа котла обеспечивается изготовлением трубной системы из трубы сталь 10, 20 повышенной прочности

Технические характеристики котла 1.74 МВт уголь дрова

МаркаКотел 1.74 МВт уголь дрова
ВидВодогрейный
Тип отопительного котлаКомбинированный
БрендHEATEXPERT
ТипКотел уголь дрова
Вид топкиРучная, Колосники, ОУР
Максимальная тепловая мощность1.74 МВт
Максимальная тепловая мощность1740 кВт
Максимальная тепловая мощность1.5 Гкал
Диапазон регулирования мощности50-100 %
ТопливоТвердое, Уголь, Дрова
Низшая теплота сгорания проектного топлива5230 кКал/кг
Низшая теплота сгорания резервного топлива2440 кКал/кг
Влажность топлива40 %
КПД котла на УГЛЕ, не менее80 %
КПД котла на ДРОВАХ, не меннее65 %
Расход УГЛЯ среднечасовой за отопительный сезон195.4 кг/ч
Расход ДРОВ среднечасовой за отопительный сезон515.4 кг/ч
Расход ДРОВ среднечасовой за отопительный сезон1.1 м³/ч
Расход УГЛЯ при максимальной нагрузке котла342 кг/ч
Расход ДРОВ при максимальной нагрузке котла902 кг/ч
Расход ДРОВ при максимальной нагрузке котла1.9 м³/ч
Расход условного топлива255 кг/ч
Максимальная температура воды на выходе из котла115 °С
Минимальная температура воды на входе в котел55 °С
Давление воды, не более0.3-0.6 (3-6) МПа (кгс/см²)
Номинальный расход теплоносителя60 м³/ч
Расход теплоносителя через котел min-max45-75 м³/ч
Гидравлическое сопротивление при номинальном расходе0.07 (0.7) МПа (кгс/см²)
Аэродинамическое сопротивление230 (23.45) Па (мм. вод. ст.)
Разряжение в топочной камере20-40 (2-4) Па (мм. вод. ст.)
Объем уходящих газов7485 м³/ч
Температура уходящих газов220 °С
ТягаУравновешенная
Водяной объем котла1500 л
Объем топочной камеры4.49 м³
Размер топочной камеры, длина*ширина*высота1745х1360х1890 мм
Активная площадь решетки горения2.4 м²
Присоединительные размеры по водяному тракту125 Ду
Присоединительные размеры газохода уходящих газов, ширина*высота / сечение1010х250 / 0.25 мм/м²
Габаритные размеры котла, длина*ширина*высота3000х1950х2600 мм
Масса5800 кг
Количество контуровОдноконтурный
РазмещениеНапольный
Тип камеры сгоранияОткрытый
УправлениеЭлектронное
Принцип работы твердотопливного котлаКлассический
ЭнергонезависимыйНет
Тип питанияТрехфазное
Встроенный циркуляционный насосНет
Встроенный расширительный бакНет
Отапливаемая площадьот 14700 до 19000 м²
Отапливаемый объемот 44000 до 57000 м³
ЭнергоэффективностьВысокая

Котел отопления уголь дрова 1.74 МВт в Курмангазы

Водогрейные твердотопливные котлы уголь дрова мощностью 1.74 МВт предназначены для отопления и горячего водоснабжения больших промышленных предприятий и маленьких зданий. Котлы устанавливаются в котельных с ручными топками, в которых используются оба вида твердого топлива.

Основные характеристики угольно дровяного котла 1,74 МВт:

  • мощность – 1,74 МВт, 1740 кВт, 1,5 Гкал;
  • основное топливо – каменный и бурый уголь;
  • резервное топливо – дрова;
  • температура воды – до 115 °С;
  • давление воды – до 0,6 МПа.

Следует учитывать различие теплотворных свойств угля и дров. Номинальная мощность котлоагрегата будет достигаться только при использовании основного вида топлива – угля. При работе на резервном древесном топливе мощность агрегата будет меньше. Поэтому, для верного подбора мощности данной комбинированной модели, необходимо определить какое топливо будет основным, какое резервным.

Конструкция котла 1.74 МВт на угле на дровах

Промышленный отопительный котел 1.74 МВт уголь дрова – водотрубный, газоплотный, напольный, выполнен в горизонтальном расположении. Передняя часть котла – это ручная колосниковая, либо водоохлаждаемая топка с газоплотным топочным пространством и зольником. Вварка стальной полосы между охлаждаемыми трубами обеспечивает газоплотность топки и исключает подсос холодного воздуха в зону горения. В задней части установлен двухходовой конвективный пакет. Для очистки конвективной части установлен люк. На фронтовой плите устанавливаются две топочные дверки, расположенные одна над другой. Каркас котлоагрегата выполнен газоплотным, с установленной на нем теплоизоляцией, обшитой стальными листами.

Топочная часть

Комбинированный водонагревательный котел 1 74 МВт для дров и угля имеет большой объем топочной камеры для загрузки объемного древесного топлива. Габариты топки способствуют более полному выгоранию топлива.

Колосниковая топка

Чугунные колосники укладываются в топку для поддержания слоя топлива. Провал золы происходит через отверстия в колосниках. Чтобы отверстия не забивались, снизу они расширяются. Дрова забрасываются на решетку через верхнюю дверцу, уголь через нижнюю. Верхняя загрузка способствует равномерному заполнению топочной камеры и контролю процесса горения. Под колосниками находится зольный короб с дверкой для чистки.

Водоохлаждаемая топка

Водоохлаждаемая топка состоит из труб по которым течет вода. Охлаждение колосников предохраняет их от перегрева и прогорания. Между труб приварены полосы металла с отверстиями. Отверстия способствуют равномерному распределению воздуха по всей площади. Маленький размер отверстий не дает провалиться в зольник недогоревшему топливу.

Для догорания легких и мелких топливных частиц, которые захватываются потоком уходящих газов, на выходе из топочной камеры котла перед конвективным пучком установлена поворотная камера.

Конвективная часть

Конвективная поверхность котла 1,74 МВт под уголь и дрова выполнена из плотных регистров, вставленных друг в друга в шахматном порядке. Это обеспечивает значительную нагревательную площадь, высокий коэффициент передачи тепла и компактность котла. В связи с этим горячие дымовые газы подвергаются охлаждению до 200-180 °С.

Гидравлическая схема котла

Конструкция угольно дровяного котла 1.74 МВт предполагает минимальные требования к водоподготовке. Скорость движения воды в трубах вызывает турбулизацию водного потока, что препятствует отложению солей и образованию накипи на стенках труб. Коллекторы котла снабжены многочисленными перегородками, которые не допускают образование застойных зон, возникновение теплового напряжения в трубах и перегрев.

Комплект поставки

Цена на котел 1.74 МВт уголь дрова включает базовую комплектацию. В состав базовой комплектации входит: котельный блок, топка, вентилятор поддува, колосники затворы, предохранительные клапаны, вентили, манометры, термометры, трехходовые краны.

Дополнительная комплектация

  • автоматика – обеспечивает управление и безопасность котла;
  • дымосос – создает разряжение в котле и исключает попадание дыма в помещение;
  • золоуловитель – применяется для улавливания золы из дымовых газов;
  • циркуляционный насос - обеспечивает циркуляцию воды в котлоагрегате;
  • подпиточный насос – позволяет пополнять объем теплоносителя в контуре.

Купить котел 1.74 МВт дрова уголь

Для того чтобы купить угольно дровяной котел 1.74 МВт в Курмангазы вы можете сделать заявку по телефону +7-7172-69-59-73, либо оформить заявку онлайн. Менеджеры дадут консультацию по подбору вспомогательного оборудования для выбранных вами моделей и рассчитают стоимость доставки. Транспортирование котлоагрегата и вспомогательного оборудования до объекта осуществляется автомобильным транспортом.

Комплект поставки котла 1.74 МВт уголь дрова

Вентилятор
Вентилятор 2,5 с дв. 5,5/3000
1 штука
Затвор Ду 125
Затвор Ду 125
1 штука
Клапан предохранительный Ду 50
Клапан Ду 50
1 штука
Клапан обратный
Клапан обратный
1 штука
Манометр МП 160
Манометр МП 160
1 штука
Кран трехходовой ДУ 15
Кран Ду 15
1 штука
Термометр ТТЖО
Термометр ТТЖО
1 штука
Оправа термометра ОПТ
Оправа ОПТ
1 штука
Вентиль Ду 20
Вентиль Ду 20
1 штука
Вентиль Ду 25
Вентиль Ду 25
1 штука

Вспомогательное оборудование для работы котла 1.74 МВт уголь дрова

Насос К консольный
К 100-80-160а
Цена 595 932 тг.
Насос К консольный
К 65-50-160а
Цена 388 596 тг.
Насос TD
Насос TD65-34G2 (7.5 кВт)
Цена 1 238 292 тг.
Насос TD
Насос TD80-32G2 (11 кВт)
Цена 1 870 476 тг.
Насос CHL
Насос CHL8-30 (1.1 кВт)
Цена 618 828 тг.
Дымосос ДН 8
Цена 1 380 756 тг.
Золоуловитель ЗУ 1.6
Цена 432 480 тг.

Аналоги котла 1.74 МВт уголь дрова

Котел 1.74 с топкой ОУР
Котел 1.74 с ОУР
Вид топкиРучная, ОУР
Максимальная тепловая мощность, МВт1.74
ТопливоТвердое, Уголь
Отапливаемая площадь, м²от 14700 до 19000
Цена 7 453 920 тг.
Котел КВр-1.74 К
Котел КВр 1.74 МВт
Вид топкиРучная, Колосники
Максимальная тепловая мощность, МВт1.74
ТопливоТвердое, Уголь
Отапливаемая площадь, м²от 14700 до 19000
Цена 7 822 800 тг.
Котел КВм 1.74 МВт с ТШПМ
Котел КВм 1.74 с ТШПМ
Вид топкиМеханическая, ТШПМ
Максимальная тепловая мощность, МВт1.74
ТопливоТвердое, Уголь
Отапливаемая площадь, м²от 14700 до 19000
Цена 11 002 800 тг.
Котел 1.5 МВт дрова уголь
Котел 1.5 МВт уголь дрова
Вид топкиРучная, Колосники, ОУР
Максимальная тепловая мощность, МВт1.5
ТопливоТвердое, Уголь, Дрова
Отапливаемая площадь, м²от 12500 до 16500
Цена 6 595 320 тг.
Котел 1.86 МВт дрова уголь
Котел 1.86 МВт уголь дрова
Вид топкиРучная, Колосники, ОУР
Максимальная тепловая мощность, МВт1.86
ТопливоТвердое, Уголь, Дрова
Отапливаемая площадь, м²от 15700 до 20400
Цена 8 178 960 тг.

Сертификат и качество котла 1.74 МВт уголь дрова

Сертификат на водогрейные котлы на твердом и жидком топливе
Сертификат на водогрейные котлы на твердом топливе

Собственное производство

Котельный завод производит
  • Паровые котлы от 300 кг до 2.5 тонны пара в час
  • Промышленные водогрейные котлы от 150 КВт до 4 МВт на всех видах топлива
  • Механические топки ТШПМ, шурующая планка и ТЛПХ, ленточное полотно прямого хода
  • Циклоны для очистки воздуха и дымовых газов для производств и промышленных отраслей
  • Транспортеры и системы топливоподачи и шлакоудаления
Подробнее о производстве
Собственное производство
Смотреть видео
с производства